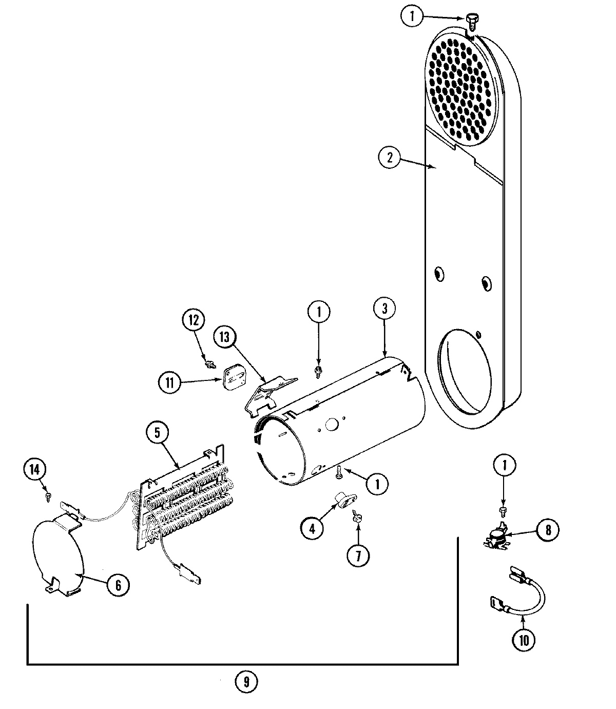
MDG7657AWW 06 – HEATER