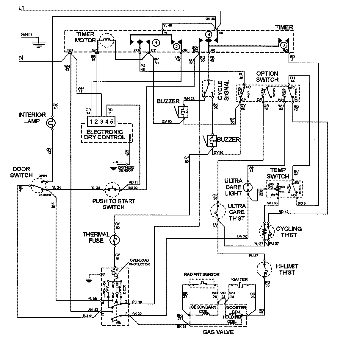
MDG8057BWQ 05 – WIRING INFORMATIONadmin2025-04-26T09:22:00+00:00MDG8057BWQ 05 – WIRING INFORMATION ProductsPositionProductNIMAY 15002587