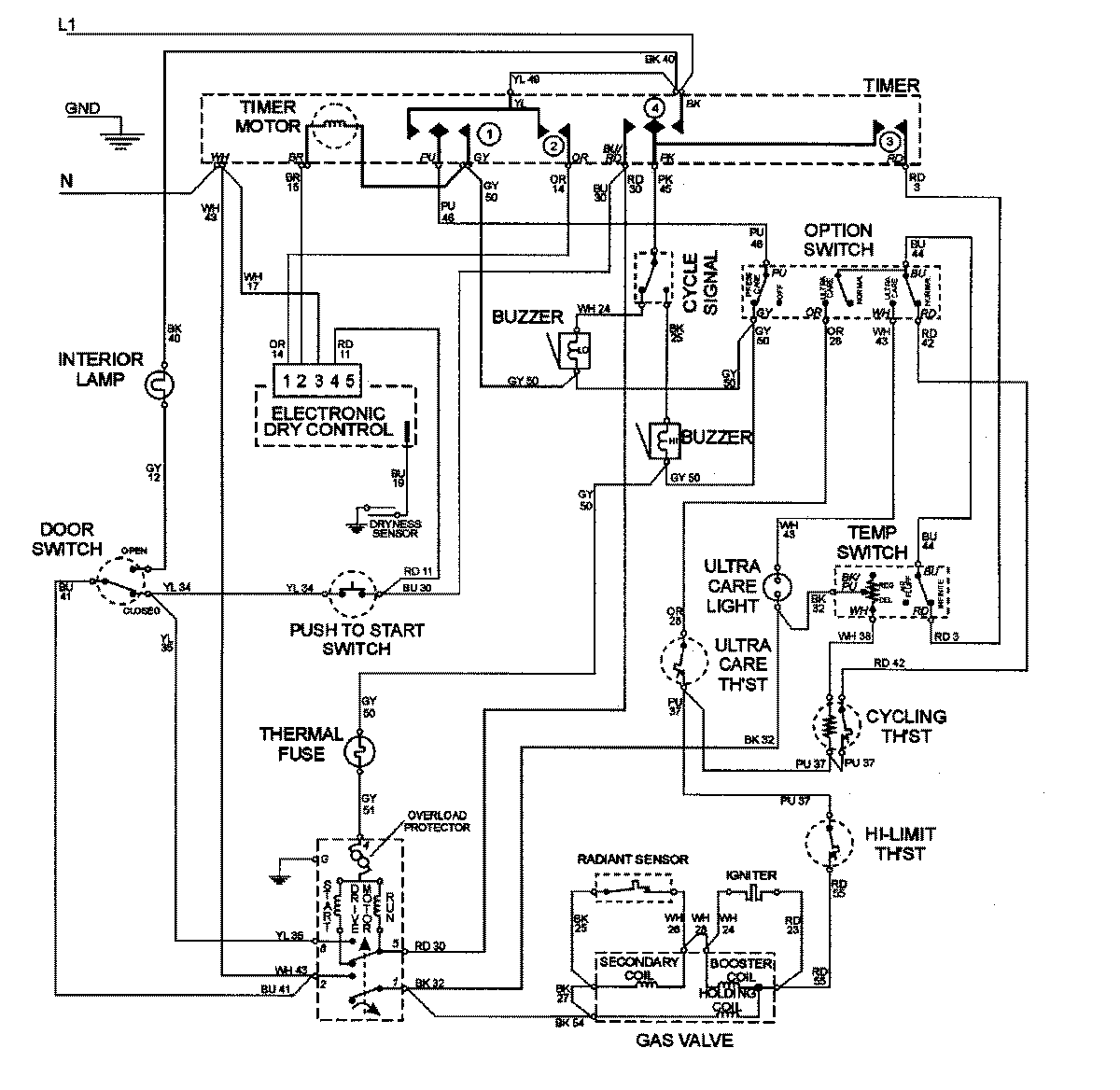
MDG8057BWW 08 – WIRING INFORMATIONadmin2025-04-26T09:22:44+00:00MDG8057BWW 08 – WIRING INFORMATION ProductsPositionProductNIMAY 15002587