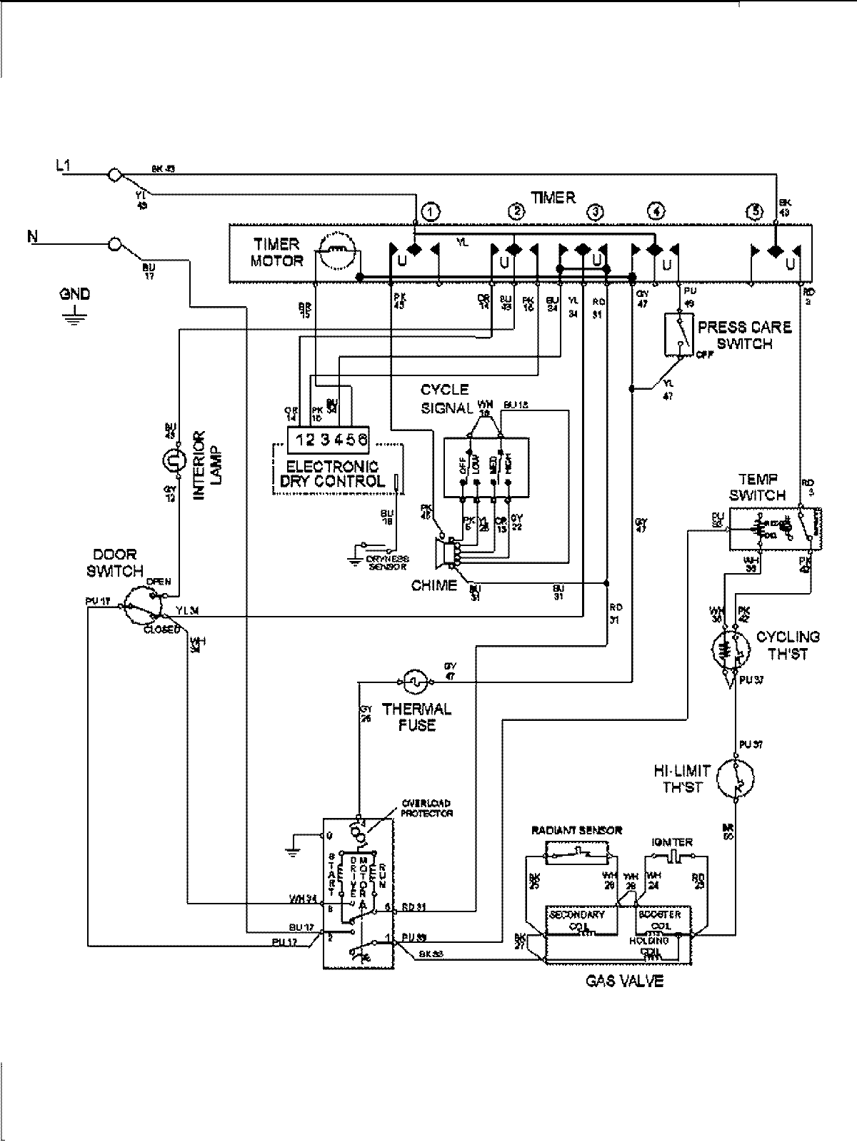
MDG8400AWW 09 – WIRING INFORMATIONadmin2025-04-26T09:21:51+00:00MDG8400AWW 09 – WIRING INFORMATION ProductsPositionProduct1MAY 15003280