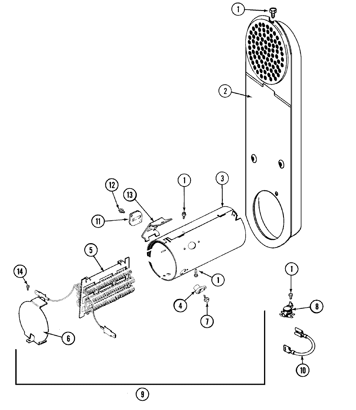
| 2 | MAY 33001803 |
| 3 | MAY 314995 |
| 4 | MAY 314998 |
| 5 | MAY 307184 |
| 6 | MAY 314999 |
| 7 | MAY 314554 |
| 8 | WP303396 Whirlpool Thermostat |
| 9 | WP307178 Whirlpool Element |
| 10 | WPY307173 Whirlpool Wire Jumper |
| 11 | WP307473 Whirlpool Thermal Fuse |
| 12 | WP90767 Whirlpool Screw |
| 13 | MAY 315346 |
| 14 | WP489128 Whirlpool Refrigerator Screw |
| 14 | MAY Y308590 |