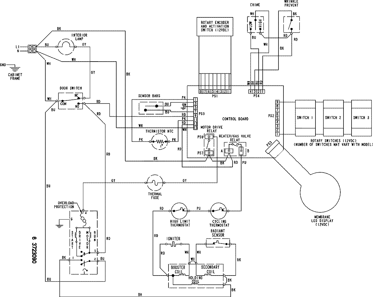
MDGT446AWW 06 – WIRING INFORMATIONadmin2025-04-26T09:24:50+00:00MDGT446AWW 06 – WIRING INFORMATION ProductsPositionProductNIMAY 15003776