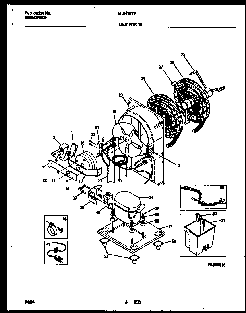
MDH15TF1 03 – UNIT PARTS