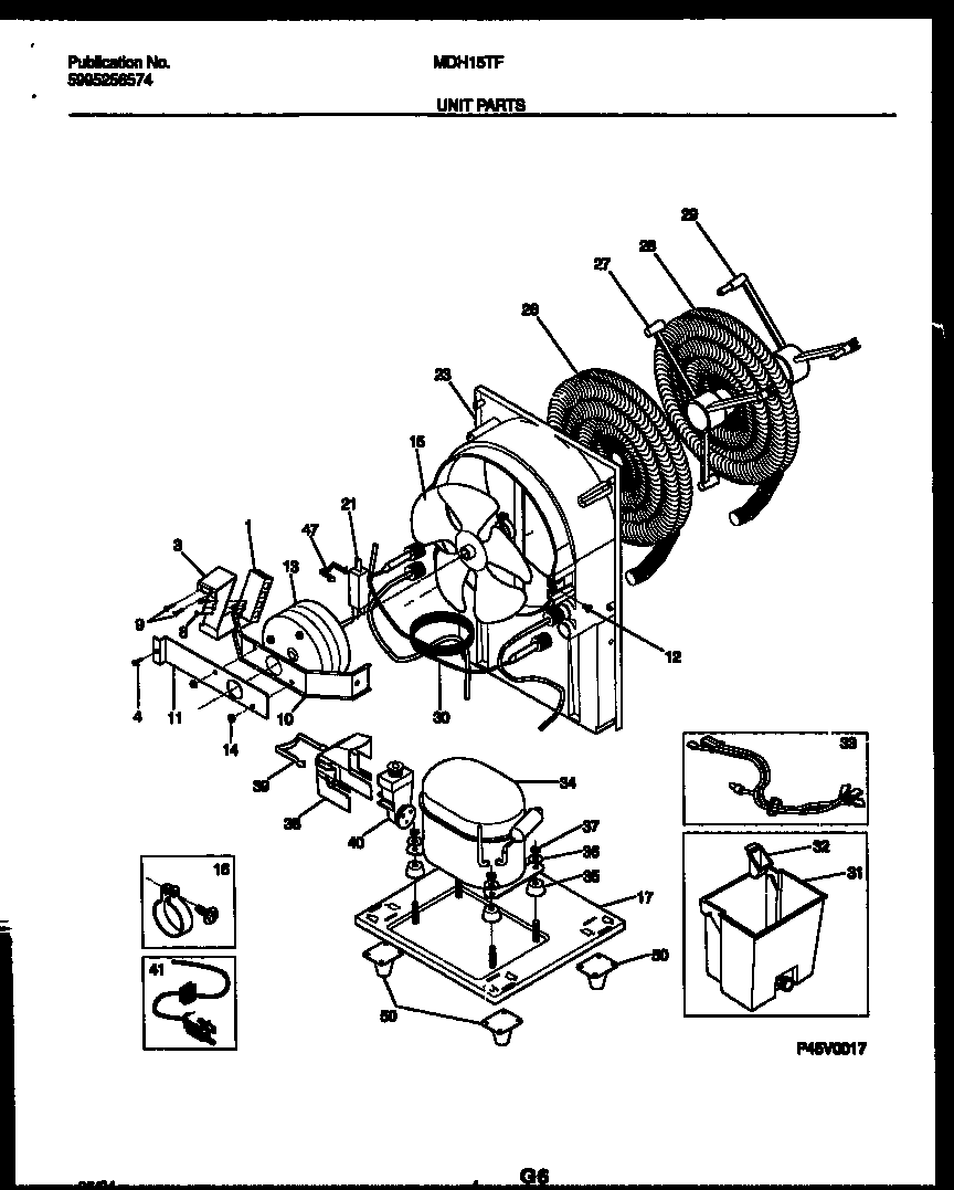
MDH15TF2 03 – UNIT PARTS