| 1 | WCI 5303296823 |
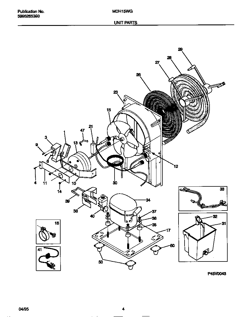
| 3 | BRACKET-CONTROL |
| 4 | 134178901 Frigidaire Screw |
| 8 | WCI 5303007620 |
| 9 | WCI 5303304774 |
| 10 | WCI 5303296828 |
| 11 | WCI 5303296829 |
| 12 | WCI 3002801 |
| 13 | WCI 5303304137 |
| 14 | WCI 08007481 |
| 15 | FAN BLADE |
| 16 | WCI 5303303699 |
| 17 | WCI 5303304132 |
| 21 | WCI 5308016437 |
| 23 | WCI 5303303501 |
| 26 | WCI 3017706 |
| 27 | CLAMP-EVAPORATOR INNER |
| 28 | WCI 3203627 |
| 29 | CLAMP-EVAPORATOR OUTER |
| 30 | WCI 3014460 |
| 31 | WCI 5303303883 |
| 32 | WCI 5303306080 |
| 33 | WCI 5303300830 |
| 34 | WCI 5303017491 |
| 35 | WCI 5303001777 |
| 36 | WASHER-COMPRESSOR |
| 37 | NUT-COMPRESSOR |
| 38 | COVER-TERMINAL |
| 39 | STRAP-COVER |
| 40 | WCI 5303017526 |
| 41 | CORD-POWER |
| 47 | WCI 327100001 |
| 50 | WCI 08016447 |