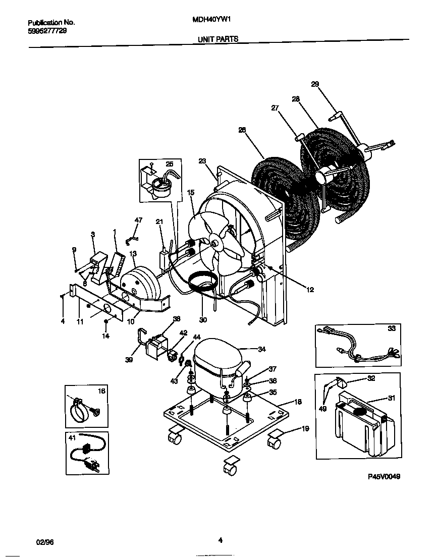
MDH40YW1 03 – UNIT PARTS