| *53576 | 154200701 Frigidaire Dishwasher Screw |
| *53579 | WCI 154200602 |
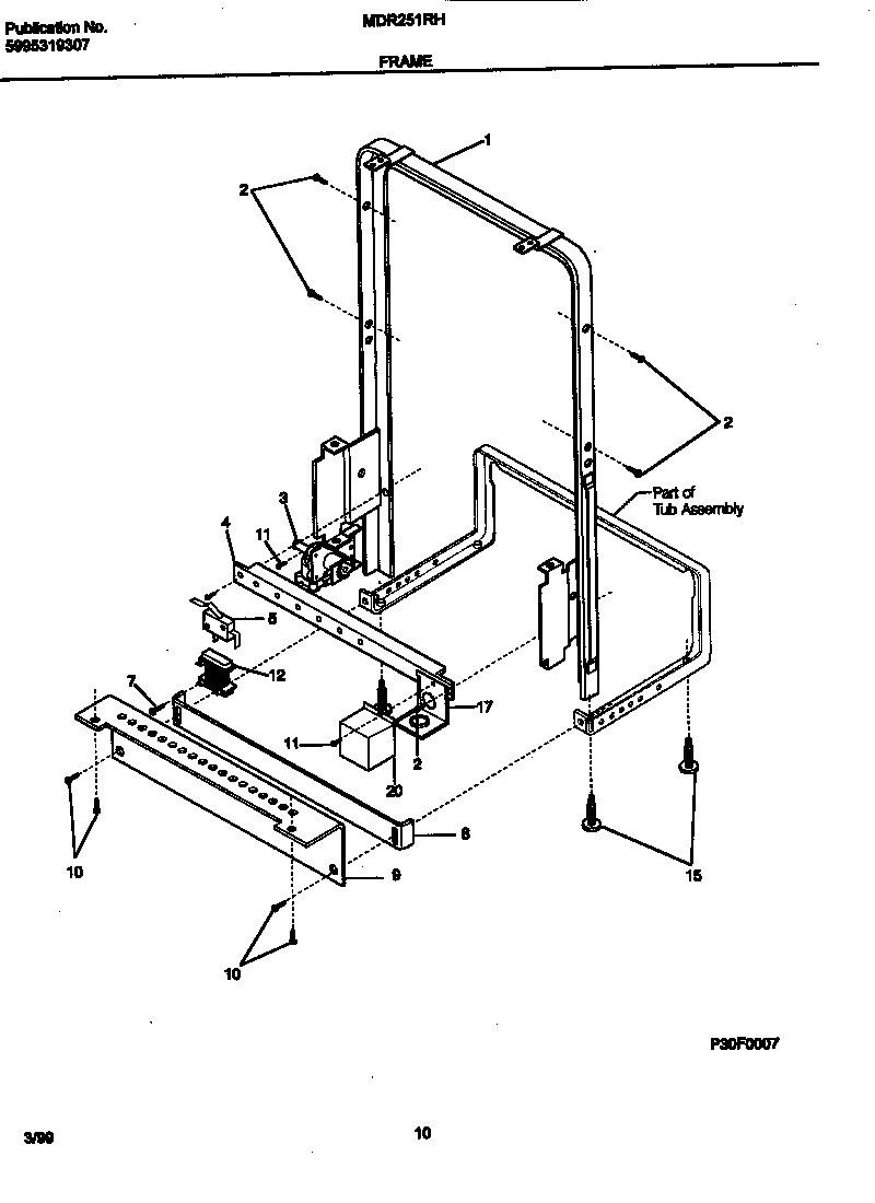
| *53577 | FLOAT SWITCH ASSY |
| *53578 | 808690701 Frigidaire Dishwasher Screw |
| 1 | WCI 154218801 |
| 2 | WCI 154200601 |
| 3 | 154637401 Frigidaire Dishwasher Fill Valve Water |
| 4 | WCI 154219101 |
| 5 | WCI 154225501 |
| 7 | WCI 5300804672 |
| 8 | WCI 154323602 |
| 9 | WCI 154323702 |
| 10 | 154419403 Frigidaire Dishwasher Screw |
| 11 | 154294701 Frigidaire Dishwasher Screw |
| 12 | WCI 5303351059 |
| 15 | WCI 154210901 |
| 17 | WCI 154112901 |
| 20 | WCI 154128302 |