| *82010 | WCI 154200601 |
| *82012 | BUSHING |
| *82011 | 5300807373 Frigidaire WASHER |
| 1 | WCI 154236102 |
| 1 | WCI 154218801 |
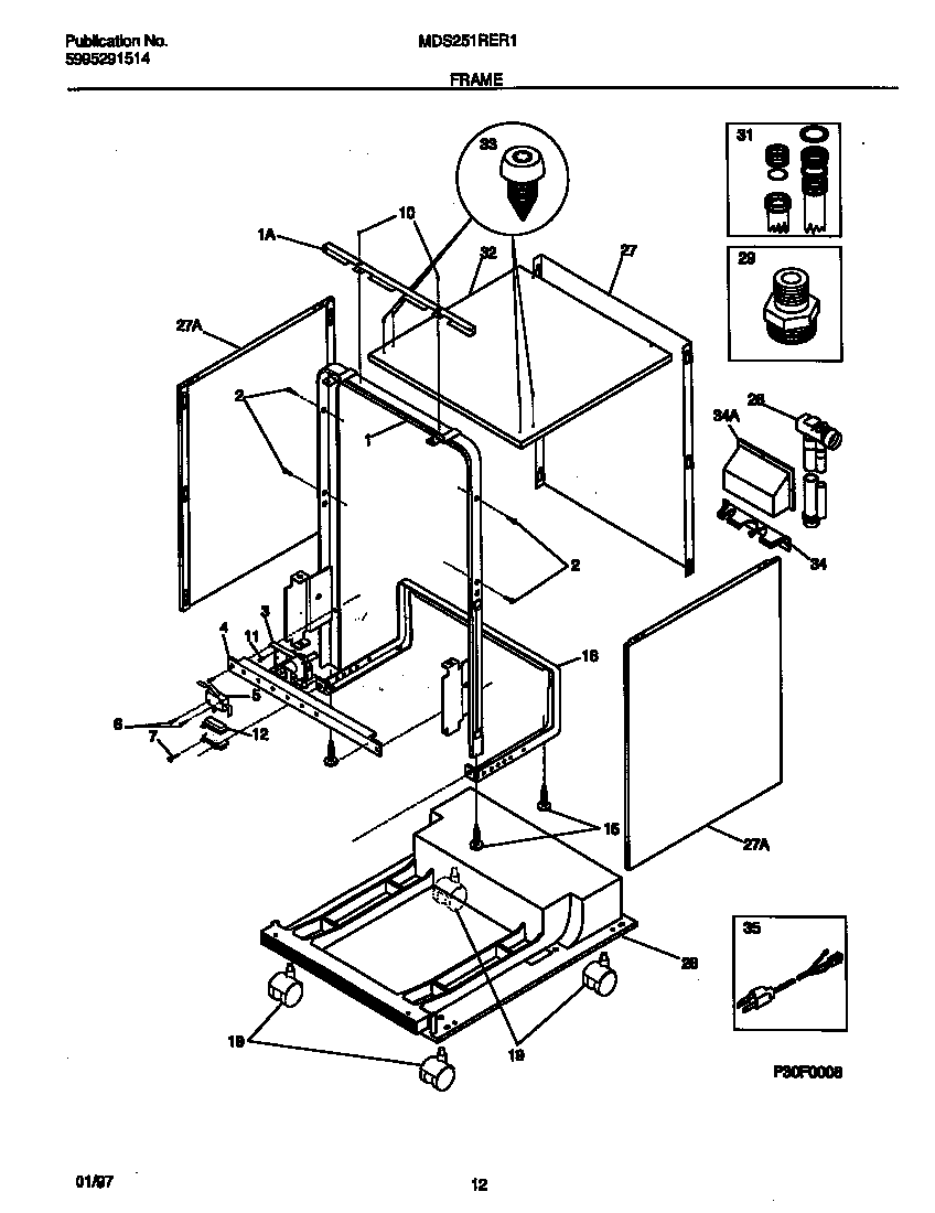
| 2 | 808690701 Frigidaire Dishwasher Screw |
| 3 | 154637401 Frigidaire Dishwasher Fill Valve Water |
| 4 | WCI 154219101 |
| 5 | FLOAT SWITCH ASSY |
| 5 | WCI 154225501 |
| 6 | WCI 154025901 |
| 7 | WCI 5300804672 |
| 10 | 154419403 Frigidaire Dishwasher Screw |
| 11 | 154200701 Frigidaire Dishwasher Screw |
| 12 | WCI 5303351059 |
| 15 | WCI 154210901 |
| 16 | WCI 154292701 |
| 19 | WCI 154280201 |
| 26 | WCI 154187104 |
| 27 | WRAPPER, SIDE, (2) |
| 27 | WCI 154229602 |
| 28 | WCI 154242402 |
| 29 | WCI 154242501 |
| 31 | WCI 5303304813 |
| 32 | WCI 154241803 |
| 33 | WCI 154241701 |
| 33 | WCI 5300807270 |
| 34 | WCI 154249701 |
| 34 | WCI 154249801 |
| 35 | WCI 154253001 |