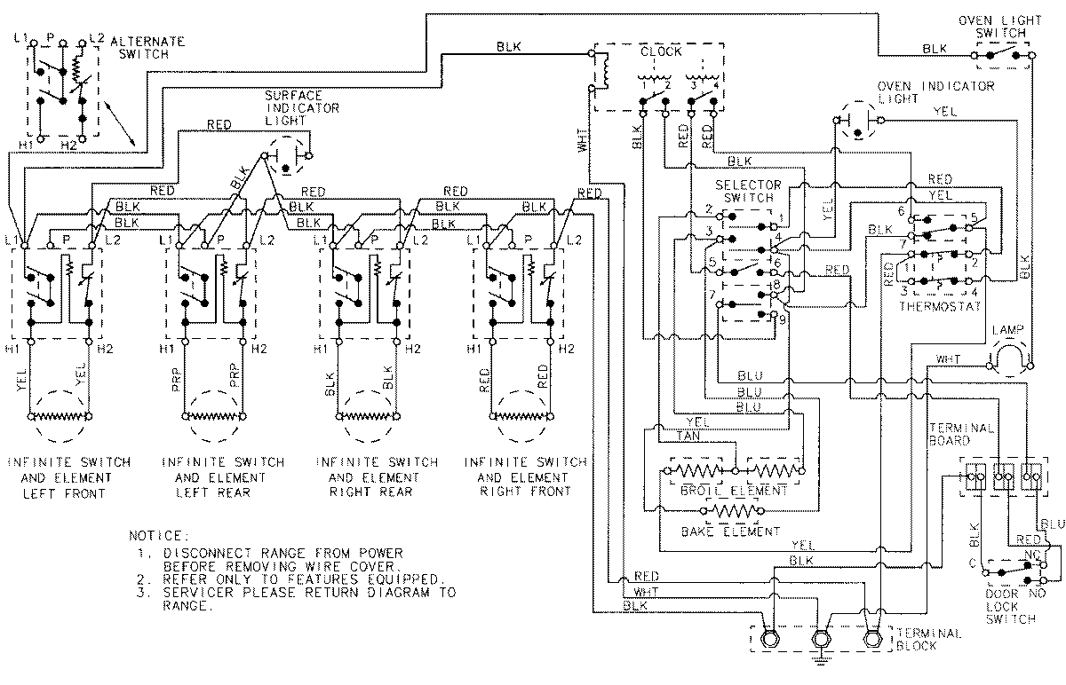
ME3842VRV 06 – WIRING INFORMATIONadmin2025-04-26T09:24:23+00:00ME3842VRV 06 – WIRING INFORMATION ProductsPositionProductNIMAY 15001147