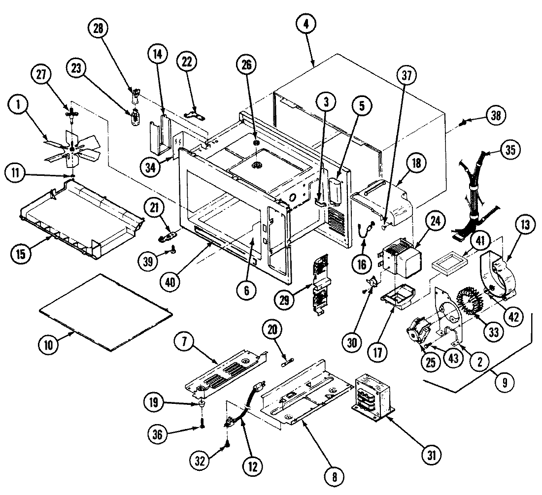
MEA5HW-1 01 – BASE & CAVITYadmin2025-04-26T09:25:08+00:00MEA5HW-1 01 – BASE & CAVITY ProductsPositionProduct1MAY 040215322MAY Y020301363MAY 020301234MAY 021400955MAY Y010200216MAY 040215557MAY 020900108MAY 020900119MAY 0402143810MAY 0204009410MAY Y0228003911MAY 0311006612MAY 5100100213MAY Y0230003214MAY Y0230004915MAY Y0230002916MAY Y0401021917MAY 0217012318MAY 0217013319MAY Y0223000820MAY Y0105000620MAY Y0110003621MAY 0402134322MAY 0402134422MAY Y0302007623MAY 0106002924MAY 0104000525MAY 0111003526MAY 0305000727MAY 0236005828MAY Y0110004029MAY 0203015229MAY Y0114007729MAY 0402148329MAY Y0114007829MAY 0201005429MAY Y0302009430MAY 0118001030MAY 8270P100-6031MAY 0301009431MAY 0113003632MAY 0302003033MAY Y0111001734MAY 0222008435MAY 0105000835MAY Y0311007835MAY 0406053935MAY 0406053835MAY 0401027637MAY 0311006138MAY 0302009538MAY 0302007739MAY 0302009840NOT REQUIRED PART OR SEE NOTE FUSE (NOT REQUIRED)41MAY 0231015742MAY 0305000343MAY Y03020087