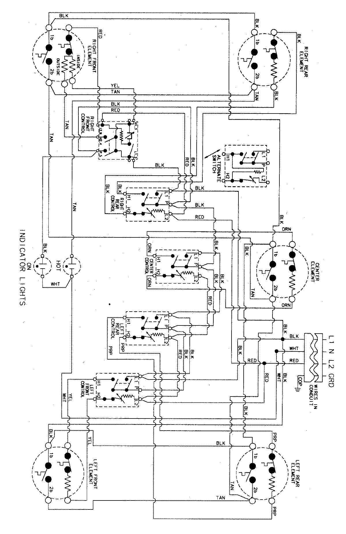
MEC5536BAW 03 – WIRING INFORMATIONadmin2025-04-26T09:24:13+00:00MEC5536BAW 03 – WIRING INFORMATION ProductsPositionProductNIMAY 15003188NIMAY 150037171MAY 15003718