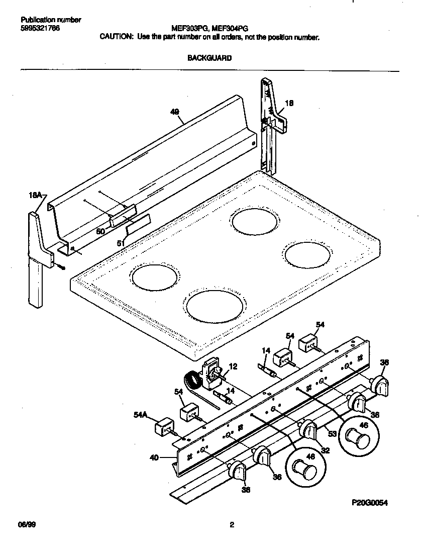
MEF303PGDY 02 – BACKGUARD