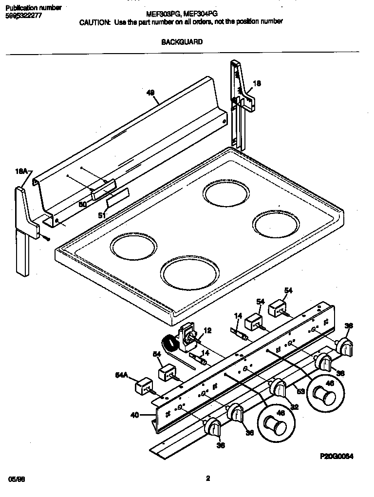
MEF304PGDD 02 – BACKGUARDadmin2025-04-26T11:55:54+00:00MEF304PGDD 02 – BACKGUARD ProductsPositionProduct*38761WCI 316002674*38763316021109 Frigidaire Oven Screw*38762Screw,cup pt ,8-18 x 0.375 ,chrome*38760WCI 316001554*38764316112500 Frigidaire Oven Template12WCI 31611460014316022503 Frigidaire Light Lamp P-118CAP-END RH18CAP-END LH32WCI 31610230236316102307 Frigidaire Control Knob40WCI 31608682746318228310 Frigidaire Oven Lens49WCI 31607350250WCI 31609690053WCI 3204623545303935086 Frigidaire Oven Top Burner Switch Kit