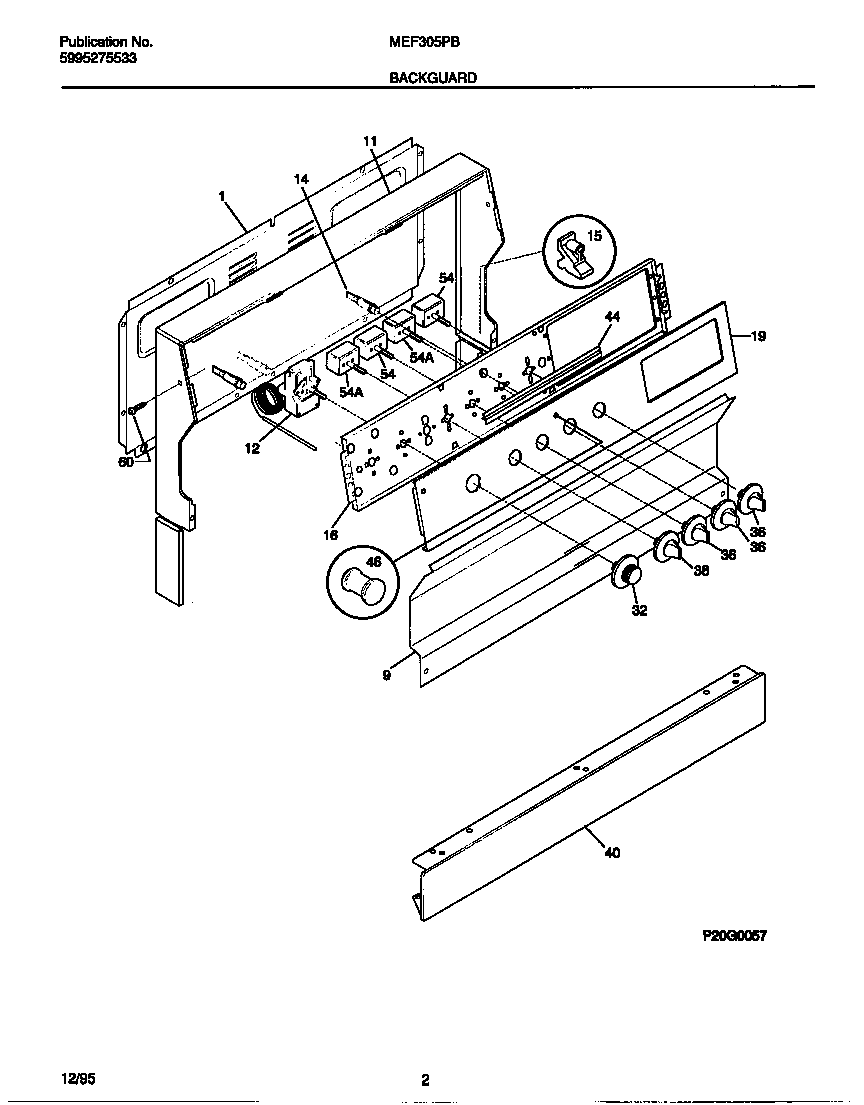
MEF305PBDC 02 – BACKGUARDadmin2025-04-26T11:55:10+00:00MEF305PBDC 02 – BACKGUARD ProductsPositionProduct*36205WCI 5303281584*36202WCI 316067003*36203WCI 3204745*36204WCI 5303272555*36201WCI 316056902*36200WCI 3160643001SHIELD-BACKGUARD,REAR WALL9WCI 31604360211Trim,wrapper ,black12WCI 530321274514LIGHT/LAMP, INDICATOR, BLUE, 250 V15SUPPORT-BACKGUARD,(2)16WCI 31604260219WCI 31603411532WCI 31601680336WCI 31601690240WCI 31600922244WCI 313146846WCI 316065800545303935086 Frigidaire Oven Top Burner Switch Kit60316021105 Frigidaire Oven Screw