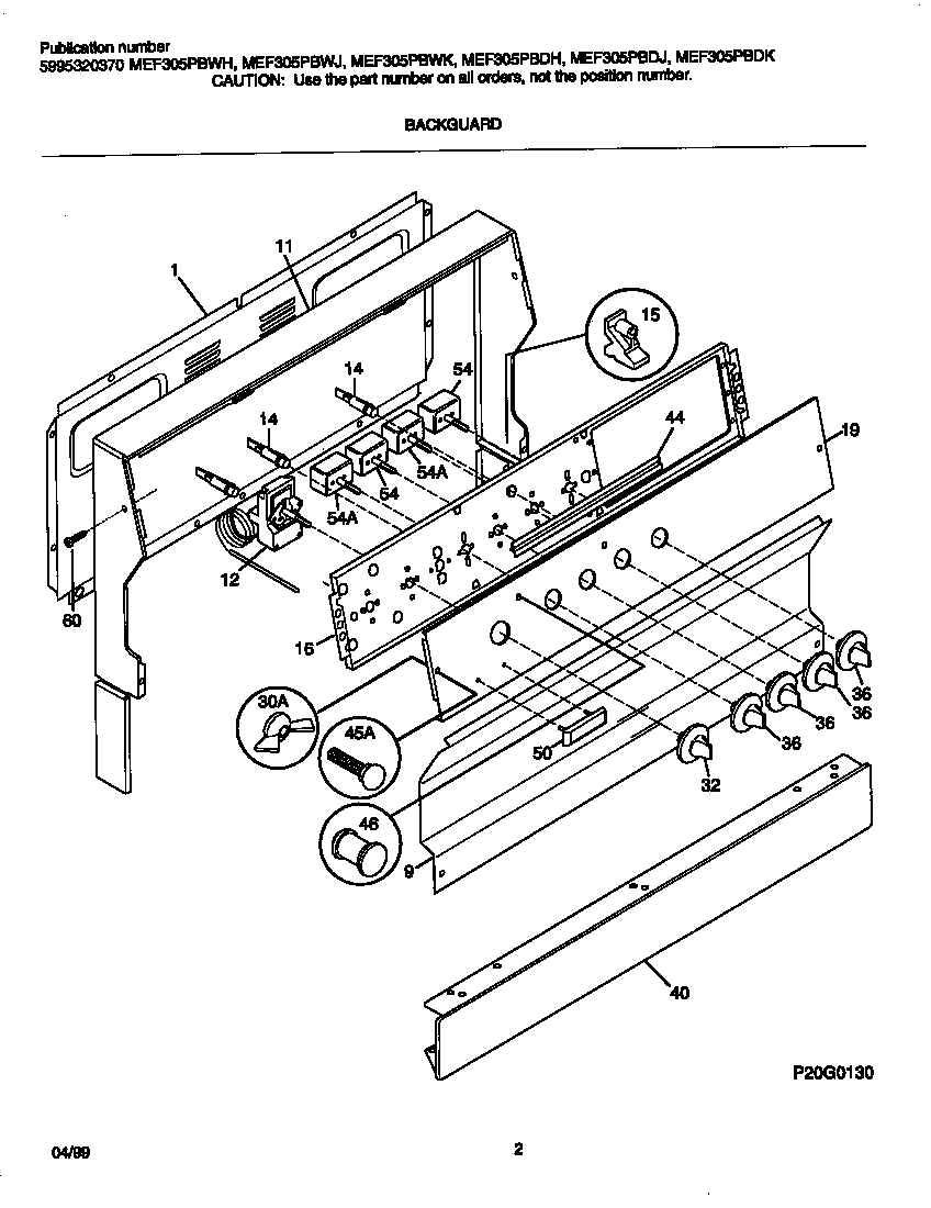
MEF305PBWJ 02 – BACKGUARDadmin2025-04-26T11:55:26+00:00MEF305PBWJ 02 – BACKGUARD
Products
| Position | Product |
|---|
| *48924 | 316112500 Frigidaire Oven Template |
| *48923 | 316021109 Frigidaire Oven Screw |
| *48922 | Screw,cup pt ,8-18 x 0.375 ,chrome |
| *48925 | WCI 5303272555 |
| 1 | SHIELD-BACKGUARD,REAR WALL |
| 9 | WCI 316043601 |
| 11 | Trim,wrapper ,black |
| 12 | WCI 5303212745 |
| 14 | LIGHT/LAMP, INDICATOR, BLUE, 250 V |
| 15 | SUPPORT-BACKGUARD,(2) |
| 16 | WCI 316042602 |
| 19 | Panel,control ,black |
| 30 | WCI 316064300 |
| 32 | WCI 316123301 |
| 32 | WCI 316016803 |
| 36 | WCI 316016902 |
| 36 | WCI 316123303 |
| 40 | WCI 316064009 |
| 44 | WCI 3131468 |
| 45 | WCI 316056902 |
| 46 | Lens,indicator light ,red |
| 50 | WCI 316096900 |
| 54 | 5303935086 Frigidaire Oven Top Burner Switch Kit |
| 60 | 316021105 Frigidaire Oven Screw |