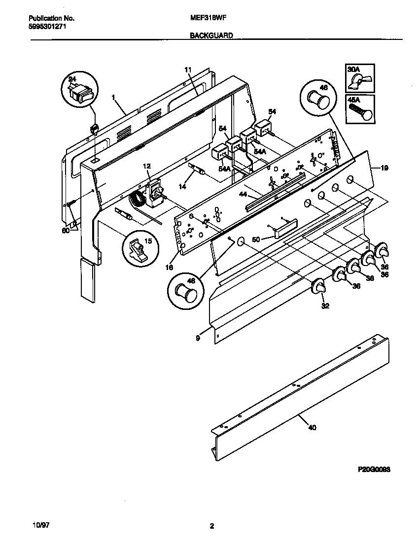
MEF316WFSC 02 – BACKGUARDadmin2025-04-26T11:56:53+00:00MEF316WFSC 02 – BACKGUARD
Products
| Position | Product |
|---|
| *87801 | 316021105 Frigidaire Oven Screw |
| *87802 | Screw,cup pt ,8-18 x 0.375 ,chrome |
| *87800 | WCI 3204745 |
| *87803 | WCI 5303272555 |
| 1 | SHIELD-BACKGUARD,REAR WALL |
| 9 | WCI 316043601 |
| 11 | WCI 316083716 |
| 12 | WCI 5303212745 |
| 14 | LIGHT/LAMP, INDICATOR, BLUE, 250 V |
| 15 | SUPPORT-BACKGUARD,(2) |
| 16 | WCI 316042602 |
| 19 | WCI 316034122 |
| 24 | 5304527842 Frigidaire Rocker Switch |
| 30 | WCI 316064300 |
| 32 | WCI 316016819 |
| 36 | WCI 316016919 |
| 40 | WCI 316062330 |
| 44 | WCI 3131468 |
| 45 | BOLT-FASTENER,NYLON ,WHITE |
| 46 | Lens,indicator light ,red |
| 50 | WCI 316096901 |
| 54 | 5303935086 Frigidaire Oven Top Burner Switch Kit |