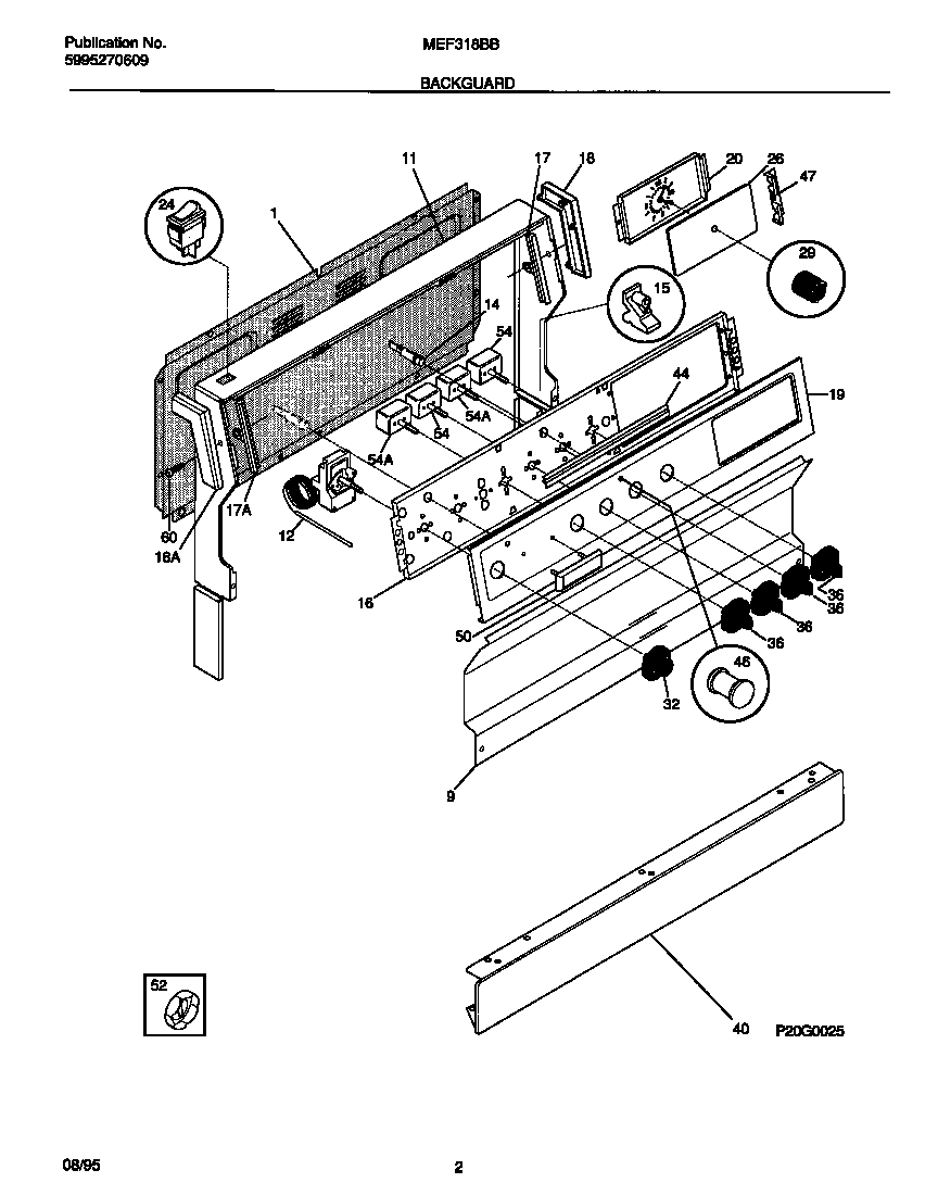
MEF318BBDB 02 – BACKGUARD