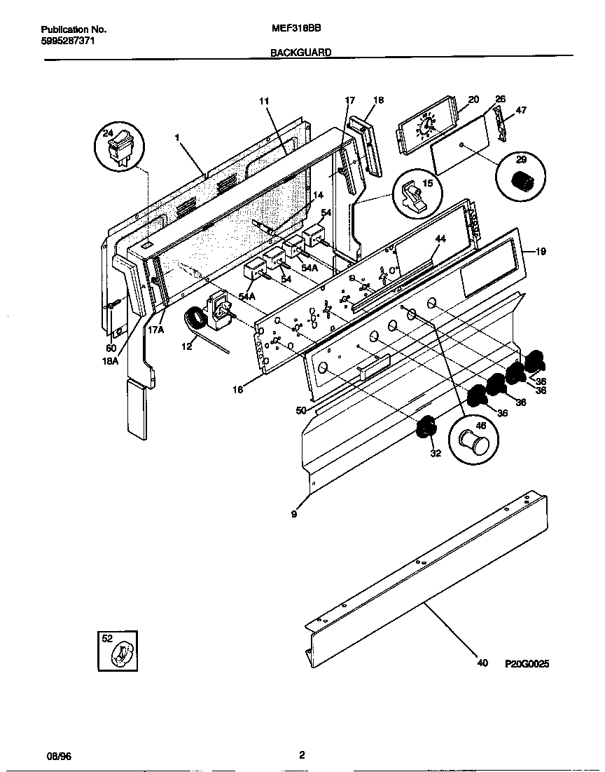
MEF318BBWD 02 – BACKGUARDadmin2025-04-26T11:33:31+00:00MEF318BBWD 02 – BACKGUARD
Products
| Position | Product |
|---|
| *51881 | 316021105 Frigidaire Oven Screw |
| *51880 | Nameplate,white west. ,black on silver |
| *51884 | WCI 5303272555 |
| *51882 | WCI 3204745 |
| *51883 | Screw,cup pt ,8-18 x 0.375 ,chrome |
| 1 | SHIELD-BACKGUARD,REAR WALL |
| 9 | WCI 316043601 |
| 11 | WCI 316083712 |
| 12 | WCI 5303212745 |
| 14 | LIGHT/LAMP, INDICATOR, BLUE, 250 V |
| 15 | SUPPORT-BACKGUARD,(2) |
| 16 | WCI 316042602 |
| 17 | TRIM-GLASS RETAINER,LH |
| 17 | TRIM-GLASS RETAINER,RH |
| 18 | WCI 5303272308 |
| 18 | WCI 5303272307 |
| 19 | WCI 316034510 |
| 20 | WCI 316043702 |
| 24 | 5304527841 Frigidaire Oven Rocker Switch (Black) |
| 26 | LENS-CLOCK, GLASS |
| 29 | WCI 316029008 |
| 32 | WCI 316016803 |
| 36 | WCI 316016902 |
| 40 | WCI 316009222 |
| 44 | WCI 3131468 |
| 46 | WCI 316065800 |
| 47 | RETAINER, CLOCK GLASS, (2) |
| 50 | WCI 316067003 |
| 54 | 5303935086 Frigidaire Oven Top Burner Switch Kit |
| 60 | WCI 5303289970 |