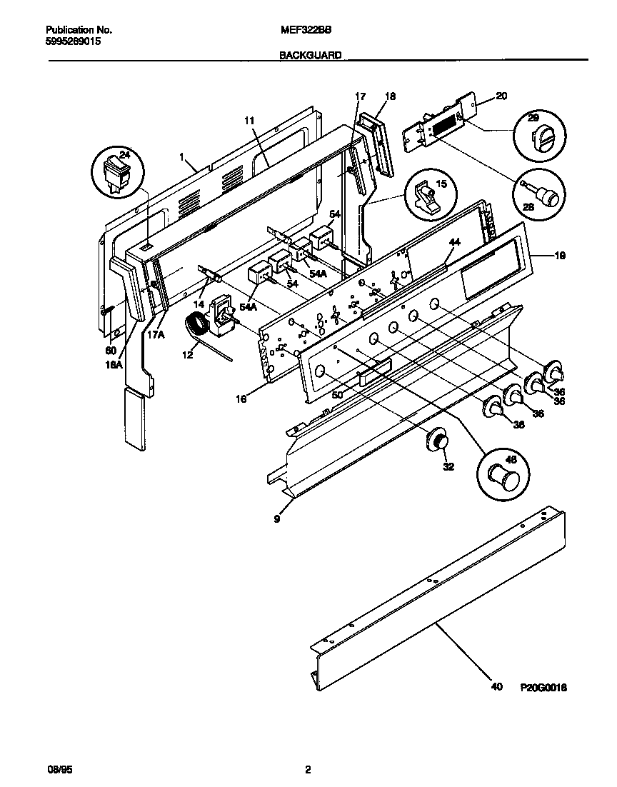
MEF322BBDC 02 – BACKGUARDadmin2025-04-26T11:54:32+00:00MEF322BBDC 02 – BACKGUARD ProductsPositionProduct*17441316021105 Frigidaire Oven Screw*17443WCI 5303281584*17440WCI 3204745*17442WCI 53032725551SHIELD-BACKGUARD,REAR WALL9WCI 31604360211WCI 320476412WCI 530321274514AWCI 530803789614LIGHT/LAMP, INDICATOR, BLUE, 250 V15SUPPORT-BACKGUARD,(2)16WCI 31604260217TRIM-GLASS RETAINER,RH17ATRIM-GLASS RETAINER,LH18AWCI 530327230718WCI 530327230819PANEL-CONTROL20WCI 5303272309245308015487 Frigidaire Switch-Oven Light28BUTTON-CLOCK29KNOB-TIMER BUTTON32WCI 31601680336WCI 31601690240WCI 31600922244WCI 313146846WCI 31606580050WCI 316067000545303935086 Frigidaire Oven Top Burner Switch Kit60WCI 5303289970