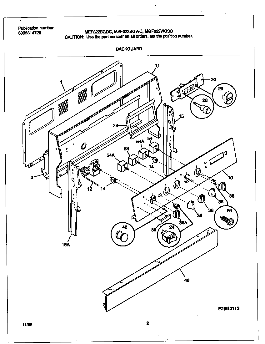
MEF322BGDC 02 – BACKGUARD