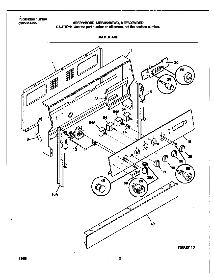
MEF322BGDD 02 – BACKGUARDadmin2025-04-26T11:56:47+00:00MEF322BGDD 02 – BACKGUARD ProductsPositionProduct*70123316112500 Frigidaire Oven Template*70120WCI 316002675*70121Screw,cup pt ,8-18 x 0.375 ,chrome*70122316021109 Frigidaire Oven Screw1WCI 3160816012WCI 31601590711WCI 31606185112WCI 31603240314316022503 Frigidaire Light Lamp P-115WCI 31602310815WCI 31602310919WCI 31607659620WCI 31611320023WCI 316079002245304527841 Frigidaire Oven Rocker Switch (Black)28BUTTON-CLOCK29KNOB-TIMER BUTTON36WCI 31610960036316025108 Frigidaire Control Knob40WCI 31606400946318228310 Frigidaire Oven Lens50WCI 316096900545303935086 Frigidaire Oven Top Burner Switch Kit54316436001 Frigidaire Oven Range Infinite Burner Switch60316021105 Frigidaire Oven Screw69SCREW-SWITCH MTG, 8-32 X 3/16, SW TO CNTL PNL, (8)