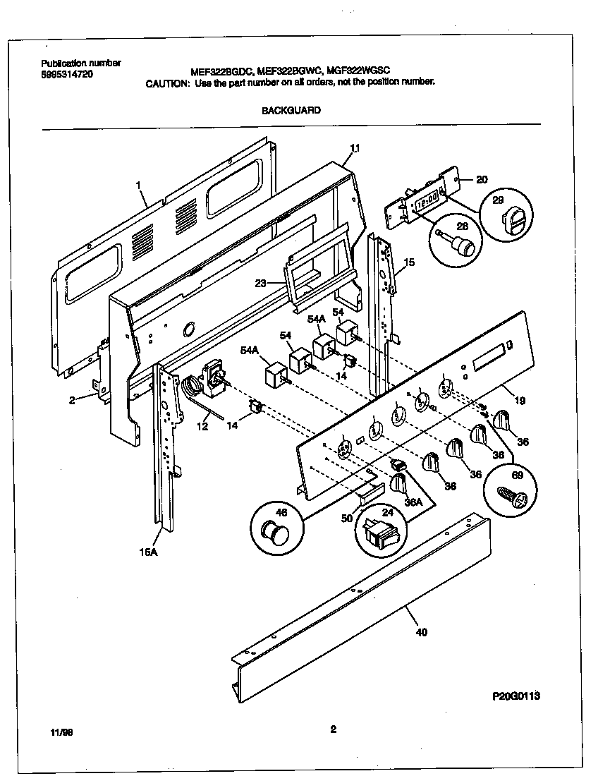
MEF322BGWC 02 – BACKGUARDadmin2025-04-26T09:18:10+00:00MEF322BGWC 02 – BACKGUARD ProductsPositionProduct*60360Screw,cup pt ,8-18 x 0.375 ,chrome*60361316021109 Frigidaire Oven Screw*60362316112500 Frigidaire Oven Template1WCI 3160816012WCI 31601590711WCI 31606185112WCI 31603240114316022503 Frigidaire Light Lamp P-114316022500 Frigidaire Oven Warmer Drawer Zone Indicator Light Lamp15WCI 31602310915WCI 31602310819WCI 31607658720WCI 31611320023WCI 316079002245304527841 Frigidaire Oven Rocker Switch (Black)28BUTTON-CLOCK29KNOB-TIMER BUTTON36WCI 31610960036316025108 Frigidaire Control Knob40WCI 31606400946318228310 Frigidaire Oven Lens50WCI 31609690054316436001 Frigidaire Oven Range Infinite Burner Switch545303935086 Frigidaire Oven Top Burner Switch Kit69SCREW-SWITCH MTG, 8-32 X 3/16, SW TO CNTL PNL, (8)