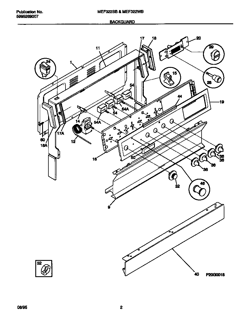
MEF322SBDB 02 – BACKGUARD