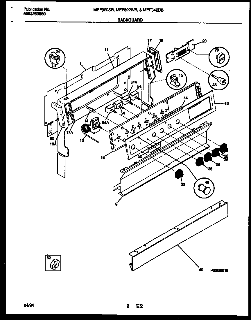
MEF322WBSA 02 – BACKGUARDadmin2025-04-26T09:19:17+00:00MEF322WBSA 02 – BACKGUARD ProductsPositionProduct*97359RETAINER-LENS*97359WCI 3204745*97359WCI 53032725551SHIELD-BACKGUARD,REAR WALL9WCI 31604360111WCI 530328383312WCI 530321274514WCI 530803789614ALIGHT/LAMP, INDICATOR, BLUE, 250 V15SUPPORT-BACKGUARD,(2)16WCI 31604260217AWCI 31603740017WCI 31603740118WCI 320474718AWCI 320474619WCI 31603452820WCI 530327230924WCI 530328591128WCI 31601730229WCI 31602840132WCI 31601681036WCI 31601691040WCI 31600925944WCI 313146846JEWEL LENS-AMBER50WCI 31605210052NUT, TWIST545303935086 Frigidaire Oven Top Burner Switch Kit60SCREW-END CAP