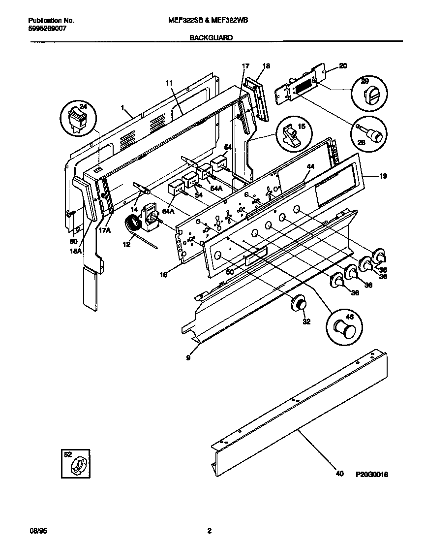
MEF322WBSC 02 – BACKGUARDadmin2025-04-26T09:19:17+00:00MEF322WBSC 02 – BACKGUARD ProductsPositionProduct*16201316021105 Frigidaire Oven Screw*16203WCI 5303281584*16200WCI 3204745*16202WCI 53032725551SHIELD-BACKGUARD,REAR WALL9WCI 31604360111WCI 530328383312WCI 530321274514LIGHT/LAMP, INDICATOR, BLUE, 250 V14AWCI 530803789615SUPPORT-BACKGUARD,(2)16WCI 31604260217AWCI 31603740217WCI 31603740318AWCI 320474618WCI 320474719WCI 31603452820WCI 530327230924WCI 31606040028WCI 31601730329WCI 31602840232WCI 31601681936WCI 31601691940WCI 31600928944WCI 313146846WCI 31606580050WCI 31606700252NUT, TWIST545303935086 Frigidaire Oven Top Burner Switch Kit60SCREW-END CAP