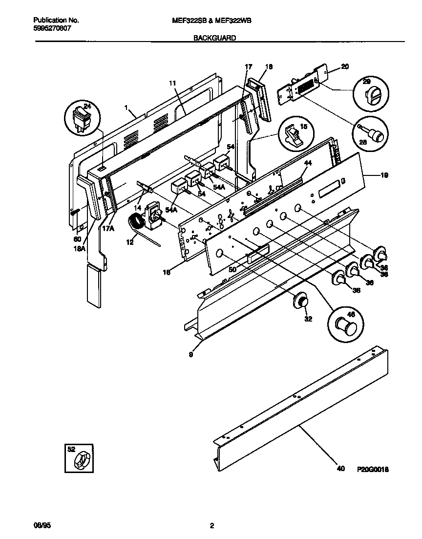
MEF322WBSD 02 – BACKGUARDadmin2025-04-26T09:18:32+00:00MEF322WBSD 02 – BACKGUARD ProductsPositionProduct*47002WCI 5303281584*47004SCREW-END CAP*47000WCI 3204745*47001WCI 53032725551SHIELD-BACKGUARD,REAR WALL9WCI 31604360111WCI 530328901412WCI 530321274514ALIGHT/LAMP, INDICATOR, BLUE, 250 V14WCI 530803789615SUPPORT-BACKGUARD,(2)16WCI 31604260217AWCI 31603740217WCI 31603740318WCI 320474718AWCI 320474619WCI 31603452820WCI 5303272309245304527842 Frigidaire Rocker Switch28WCI 31601730329WCI 31602840232WCI 31601681936WCI 31601691940WCI 31600928944WCI 313146846WCI 31606580050WCI 31606700252NUT, TWIST545303935086 Frigidaire Oven Top Burner Switch Kit60316021105 Frigidaire Oven Screw