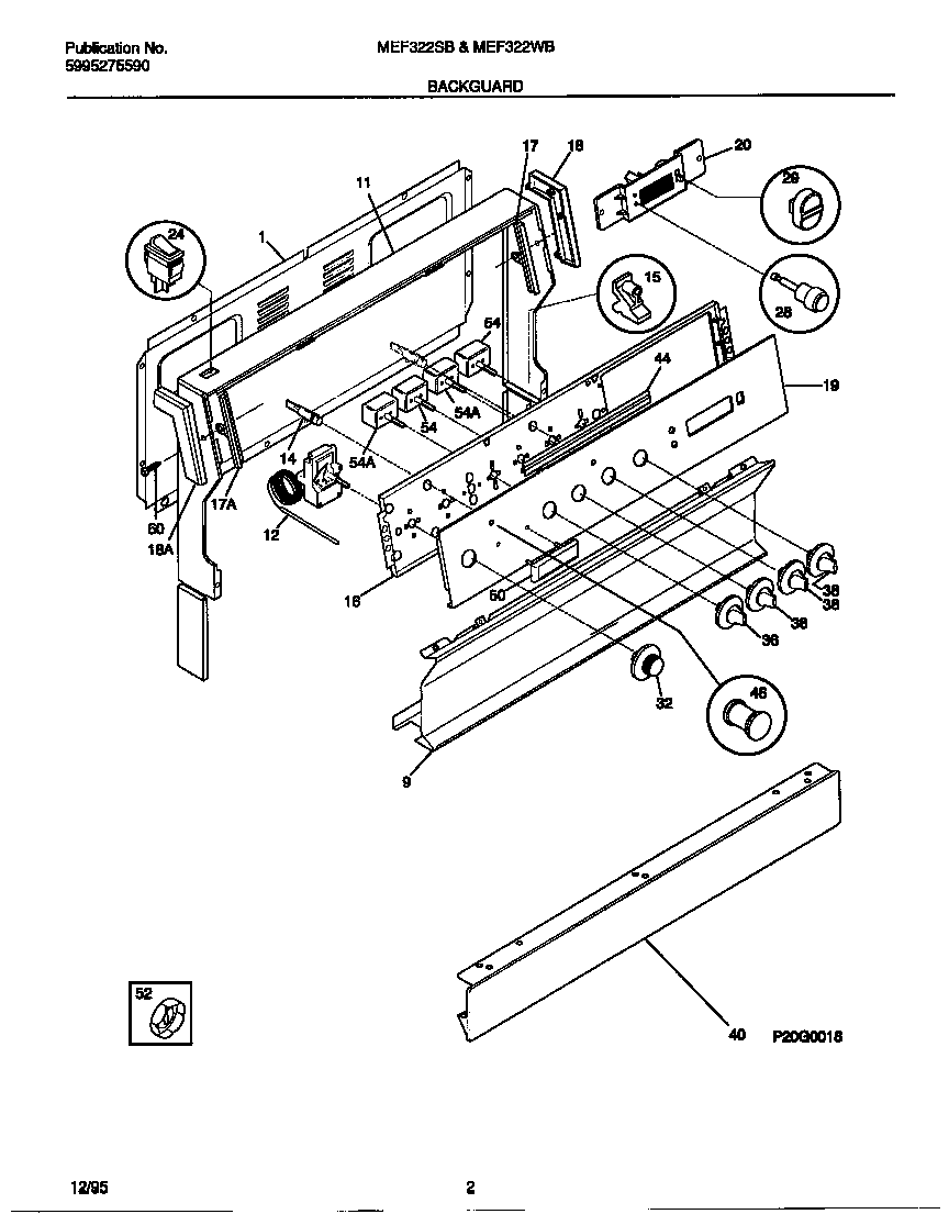
MEF322WBSE 02 – BACKGUARDadmin2025-04-26T09:19:22+00:00MEF322WBSE 02 – BACKGUARD ProductsPositionProduct*49841316021105 Frigidaire Oven Screw*49843WCI 5303281584*49840WCI 3204745*49842WCI 53032725551SHIELD-BACKGUARD,REAR WALL9WCI 31604360111WCI 31608371012WCI 530321274514ALIGHT/LAMP, INDICATOR, BLUE, 250 V14BWCI 530803789615SUPPORT-BACKGUARD,(2)16WCI 31604260217WCI 31603740317WCI 31603740218WCI 320474718WCI 320474619WCI 31603452820WCI 5303272309245304527842 Frigidaire Rocker Switch28WCI 31601730329WCI 31602840232WCI 31601681936WCI 31601691940WCI 31600928944WCI 313146846WCI 31606580050WCI 31606700252NUT, TWIST545303935086 Frigidaire Oven Top Burner Switch Kit60SCREW-END CAP