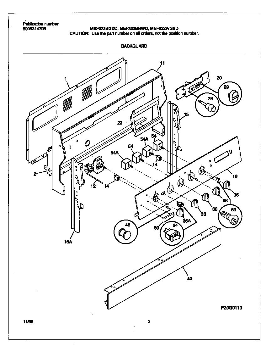
MEF322WGSD 02 – BACKGUARDadmin2025-04-26T09:19:31+00:00MEF322WGSD 02 – BACKGUARD ProductsPositionProduct*70123316112500 Frigidaire Oven Template*70120WCI 316002675*70121Screw,cup pt ,8-18 x 0.375 ,chrome*70122316021109 Frigidaire Oven Screw1WCI 3160816012WCI 31601590711WCI 31606185212WCI 31603240314316022503 Frigidaire Light Lamp P-115WCI 31602310915WCI 31602310819WCI 31607659720WCI 31611320023WCI 316079002245304527842 Frigidaire Rocker Switch28WCI 31601730329WCI 31602840236WCI 31610960136316025106 Frigidaire Control Knob40WCI 31606403046318228310 Frigidaire Oven Lens50WCI 316096901545303935086 Frigidaire Oven Top Burner Switch Kit54316436001 Frigidaire Oven Range Infinite Burner Switch60316021105 Frigidaire Oven Screw69SCREW-SWITCH MTG, 8-32 X 3/16, SW TO CNTL PNL, (8)