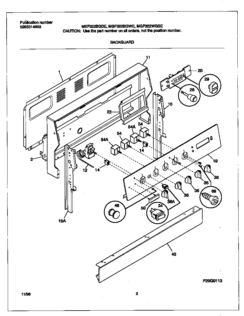
MEF322WGSE 02 – BACKGUARDadmin2025-04-26T09:18:08+00:00MEF322WGSE 02 – BACKGUARD ProductsPositionProduct*28123316112500 Frigidaire Oven Template*28120WCI 316002675*28122316021109 Frigidaire Oven Screw*28121Screw,cup pt ,8-18 x 0.375 ,chrome1WCI 3160816012WCI 31601590711WCI 31606185212WCI 31603240314316022503 Frigidaire Light Lamp P-115WCI 31602310815WCI 31602310919WCI 31607659720WCI 31611320023WCI 316079002245304527842 Frigidaire Rocker Switch28WCI 31601730329WCI 31602840236WCI 31610960136316025106 Frigidaire Control Knob40WCI 31606403046318228310 Frigidaire Oven Lens50WCI 316096901545303935086 Frigidaire Oven Top Burner Switch Kit54316436001 Frigidaire Oven Range Infinite Burner Switch69SCREW-SWITCH MTG, 8-32 X 3/16, SW TO CNTL PNL, (8)