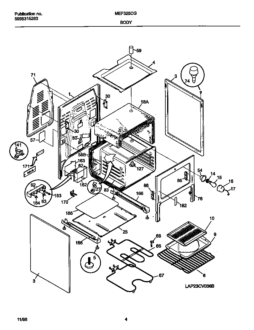
MEF325CGS4 03 – BODY