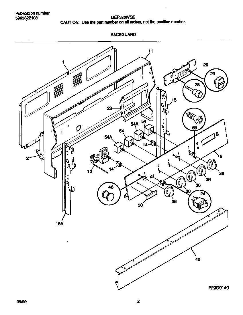
MEF326WGSC 02 – BACKGUARDadmin2025-04-26T09:19:14+00:00MEF326WGSC 02 – BACKGUARD ProductsPositionProduct*17484SCREW-SWITCH MTG, 8-32 X 3/16, SW TO CNTL PNL, (8)*17480WCI 316003018*17481Screw,cup pt ,8-18 x 0.375 ,chrome*17482316021109 Frigidaire Oven Screw1WCI 3160816012WCI 31601590511WCI 31606185212WCI 31603240114316022503 Frigidaire Light Lamp P-114316022500 Frigidaire Oven Warmer Drawer Zone Indicator Light Lamp15WCI 31602310915WCI 31602310819WCI 31607658820WCI 31611320023WCI 316079002245304527842 Frigidaire Rocker Switch28WCI 31601730329WCI 31602840236A316025106 Frigidaire Control Knob36BWCI 31610960140WCI 31606403046318228310 Frigidaire Oven Lens50WCI 316096901545303935086 Frigidaire Oven Top Burner Switch Kit54316436001 Frigidaire Oven Range Infinite Burner Switch