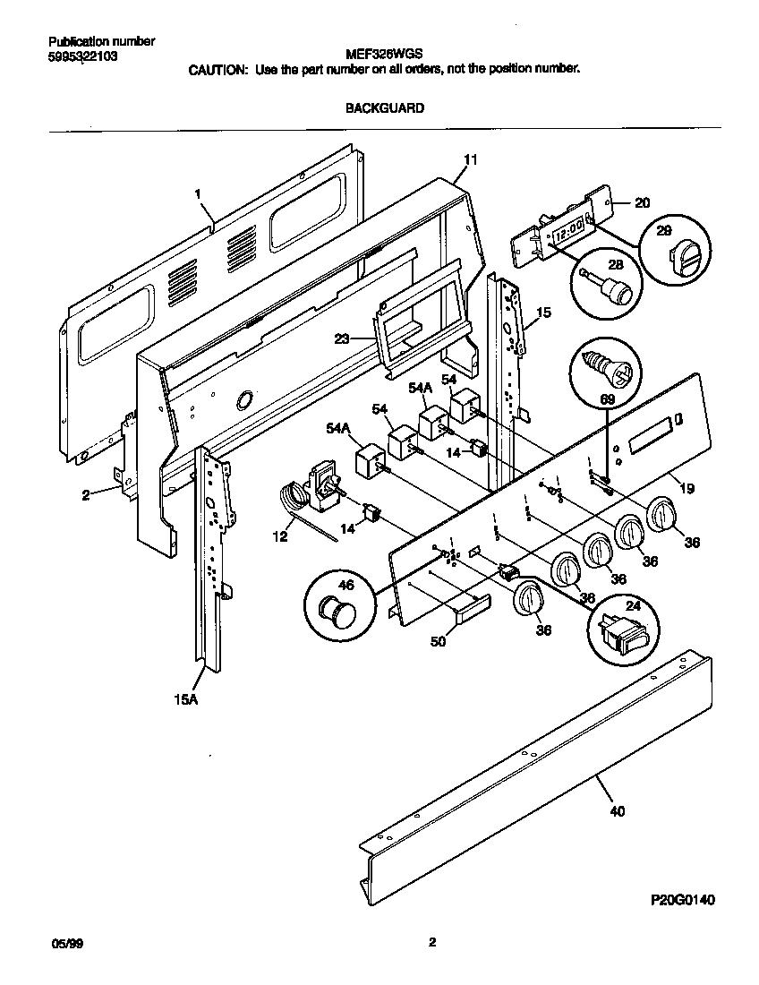
MEF326WGSD 02 – BACKGUARDadmin2025-04-26T09:20:24+00:00MEF326WGSD 02 – BACKGUARD ProductsPositionProduct*17484SCREW-SWITCH MTG, 8-32 X 3/16, SW TO CNTL PNL, (8)*17483316112500 Frigidaire Oven Template*17481Screw,cup pt ,8-18 x 0.375 ,chrome*17482316021109 Frigidaire Oven Screw1WCI 3160816012WCI 31601590511WCI 31606185212WCI 31603240114316022503 Frigidaire Light Lamp P-114316022500 Frigidaire Oven Warmer Drawer Zone Indicator Light Lamp15WCI 31602310815WCI 31602310919WCI 31607658820WCI 31611320023WCI 316079002245304527842 Frigidaire Rocker Switch28WCI 31601730329WCI 31602840236BWCI 31610960136A316025106 Frigidaire Control Knob40WCI 31606403046318228310 Frigidaire Oven Lens50WCI 31609690154316436001 Frigidaire Oven Range Infinite Burner Switch545303935086 Frigidaire Oven Top Burner Switch Kit