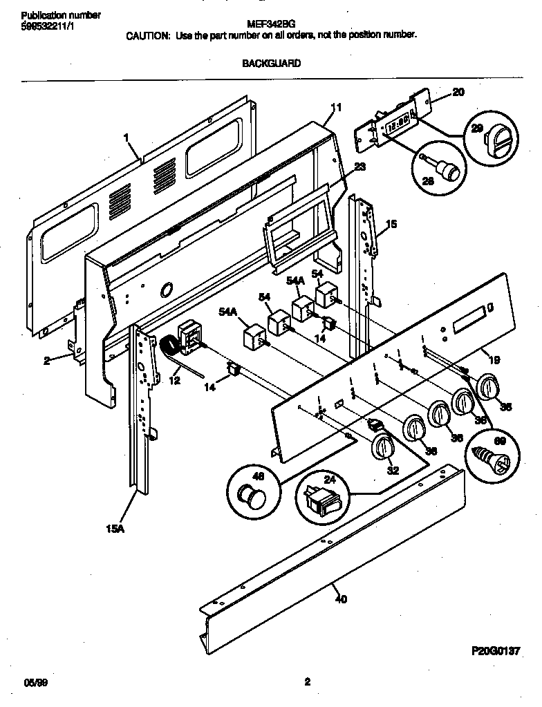
MEF342BGDD 02 – BACKGUARDadmin2025-04-26T09:18:42+00:00MEF342BGDD 02 – BACKGUARD ProductsPositionProduct*14684SCREW-SWITCH MTG, 8-32 X 3/16, SW TO CNTL PNL, (8)*14680WCI 316002675*14683316112500 Frigidaire Oven Template*14681Screw,cup pt ,8-18 x 0.375 ,chrome*14682316021109 Frigidaire Oven Screw1WCI 3160816012WCI 31601590711WCI 31606185112WCI 31603240314316022503 Frigidaire Light Lamp P-115WCI 31602310915WCI 31602310819WCI 31607659620WCI 31611320023WCI 316079002245304527841 Frigidaire Oven Rocker Switch (Black)29AKNOB-TIMER BUTTON29BBUTTON-CLOCK32WCI 31610960036316025108 Frigidaire Control Knob40WCI 31606400946318228310 Frigidaire Oven Lens50WCI 31609690054316436001 Frigidaire Oven Range Infinite Burner Switch545303935086 Frigidaire Oven Top Burner Switch Kit