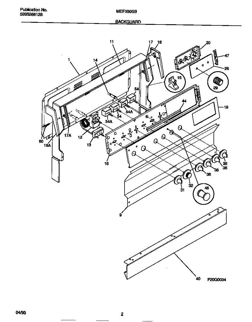
MEF350SBDA 02 – BACKGUARDadmin2025-04-26T09:18:47+00:00MEF350SBDA 02 – BACKGUARD ProductsPositionProduct*68762316021105 Frigidaire Oven Screw*68760WCI 316067000*68763WCI 5303272555*68761WCI 3204745*68764WCI 53032815841SHIELD-BACKGUARD,REAR WALL9WCI 31604360211WCI 320475512THERMOSTAT-OVEN13WCI 31602320014LIGHT/LAMP, INDICATOR, BLUE, 250 V15SUPPORT-BACKGUARD,(2)16WCI 31604260217TRIM-GLASS RETAINER,RH17TRIM-GLASS RETAINER,LH18WCI 530327230818WCI 530327230719WCI 31603454020WCI 320169426WCI 320169529WCI 31602900031WCI 31601692332WCI 31601682336WCI 31601690240WCI 31600922244WCI 313146846WCI 31606580047RETAINER, CLOCK GLASS, (2)545303935086 Frigidaire Oven Top Burner Switch Kit60WCI 5303289970