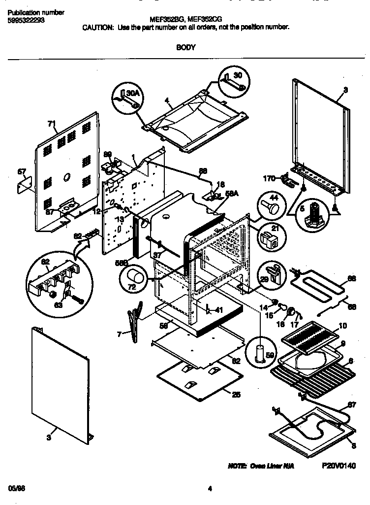
MEF352BGDC 03 – BODY

MEF352BGDC 03 – BODY