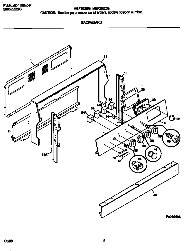
MEF352BGDD 02 – BACKGUARDadmin2025-04-26T09:19:29+00:00MEF352BGDD 02 – BACKGUARD ProductsPositionProduct*39764SCREW-SWITCH MTG, 8-32 X 3/16, SW TO CNTL PNL, (8)*39766OVERLAY-CLOCK*39762WCI 316085600*39763316112500 Frigidaire Oven Template*39760Screw,cup pt ,8-18 x 0.375 ,chrome*39761316021109 Frigidaire Oven Screw1WCI 3160816012WCI 31601590711WCI 31606185114316022503 Frigidaire Light Lamp P-115WCI 31602310815WCI 31602310919PANEL-CONTROL,METAL20WCI 31610110323WCI 316100400245304527841 Frigidaire Oven Rocker Switch (Black)32WCI 31610140036316025108 Frigidaire Control Knob40WCI 31606400946318228310 Frigidaire Oven Lens50WCI 31609690051Nameplate,Frigidaire ,black545303935086 Frigidaire Oven Top Burner Switch Kit54316436001 Frigidaire Oven Range Infinite Burner Switch