| *39772 | 316021105 Frigidaire Oven Screw |
| *39768 | HARNESS-WIRING,MAIN |
| *39770 | 316205500 Frigidaire Oven Nut |
| *39767 | 3203550 Frigidaire Oven Plug |
| *39771 | 5308014215 Frigidaire Oven Screw |
| *39769 | Screw,cup pt ,8-18 x 0.375 ,chrome |
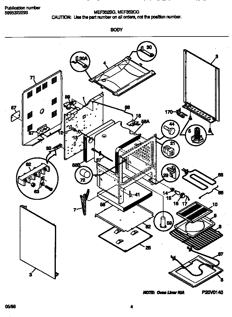
| 1 | WCI 316080804 |
| 3A | WCI 316081034 |
| 3B | WCI 316081035 |
| 4 | WCI 5303271756 |
| 5 | WCI 316107300 |
| 6 | 316067902 Frigidaire Oven Rack |
| 7 | WCI 316007002 |
| 8 | PANEL-OVEN BOTTOM |
| 9 | WCI 316073800 |
| 10 | WCI 3205234 |
| 12 | SWITCH-OVEN LIGHT, DOOR FRAME |
| 13 | WCI 316026800 |
| 14 | 316116400 Frigidaire Oven Light Socket |
| 15 | 316538904 Frigidaire Oven Lamp Light |
| 16 | 5304524341 Frigidaire Lens |
| 17 | 316087500 Frigidaire Oven Retainer |
| 18 | WCI 316036300 |
| 21 | SPACER-BODYSIDE, (8) |
| 25 | WCI 3200848 |
| 29 | 3051162 Frigidaire Oven Range Front Broiler Drawer Glide |
| 30 | BRACKET-HINGE, MAIN TOP, LH |
| 30 | BRACKET-HINGE, MAIN TOP RH |
| 37 | 5304497424 Frigidaire Oven Temperature Sensor Probe Kit |
| 41 | WCI 3131570 |
| 44 | 3131903 Frigidaire Door/Drawer Bumper |
| 57 | WCI 316081101 |
| 58B | 316054202 Frigidaire Insulation |
| 58A | 316047707 Frigidaire Insulation |
| 58B | INSULATION, OVEN WRAPPER |
| 58A | WCI 316054200 |
| 58 | 316403803 Frigidaire Insulation |
| 59 | WCI 316073600 |
| 62 | 5304409888 Frigidaire Oven Terminal Block with Hardware |
| 63 | PLATE=GROUND STRAP |
| 66 | 5303051140 Frigidaire Broil Element |
| 67 | 316075103 Frigidaire Oven Bake Element |
| 68 | 316203400 Frigidaire Oven Support |
| 71 | WCI 316015805 |
| 72 | COVER-LIGHT/SWITCH ROD |
| 82 | WCI 5303289913 |
| 87 | 316081200 Frigidaire Oven Bracket |
| 88 | WCI 316026400 |
| 89 | WCI 316028101 |
| 170A | 316112005 Frigidaire Oven Anti-Tip Range Bracket Kit |
| 170B | 316116000 Frigidaire Screw |