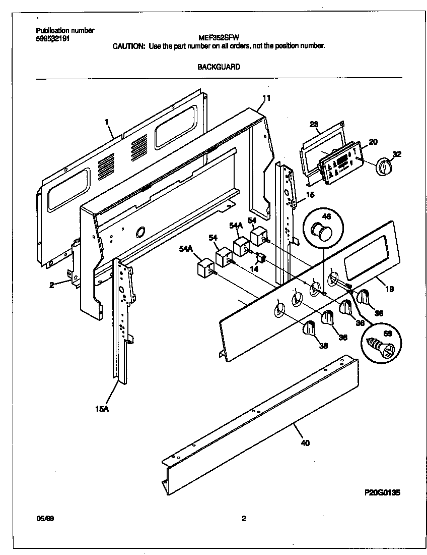
MEF352SFWB 02 – BACKGUARDadmin2025-04-26T09:18:38+00:00MEF352SFWB 02 – BACKGUARD ProductsPositionProduct*53962WCI 316085600*53964WCI 316074401*53966OVERLAY-CLOCK*53960Screw,cup pt ,8-18 x 0.375 ,chrome*53961316021109 Frigidaire Oven Screw*53965SCREW-SWITCH MTG, 8-32 X 3/16, SW TO CNTL PNL, (8)1WCI 3160816012WCI 31601590711WCI 31606185114316022503 Frigidaire Light Lamp P-115WCI 31602310915WCI 31602310819WCI 31607656620WCI 31610110323WCI 31610040032WCI 31610130136KNOB-CONTROL, (5)40WCI 31606400946318228310 Frigidaire Oven Lens50WCI 316096900545303935086 Frigidaire Oven Top Burner Switch Kit54316436001 Frigidaire Oven Range Infinite Burner Switch60316021105 Frigidaire Oven Screw69WCI 63600430028