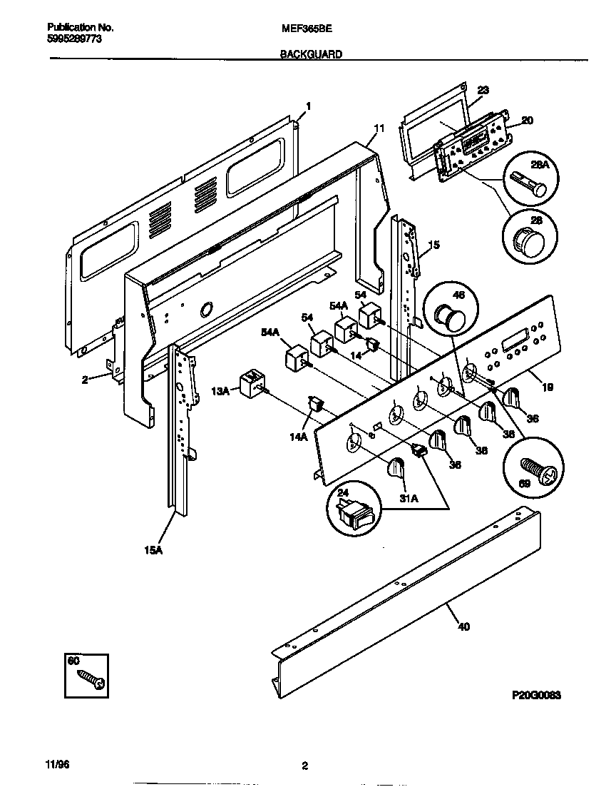
MEF365BEWA 02 – BACKGUARDadmin2025-04-26T09:22:01+00:00MEF365BEWA 02 – BACKGUARD
Products
| Position | Product |
|---|
| *15521 | WCI 316067003 |
| *15520 | Screw,cup pt ,8-18 x 0.375 ,chrome |
| 1 | WCI 316081601 |
| 2 | WCI 316015907 |
| 11 | WCI 316061841 |
| 13 | 5304508926 Frigidaire Oven Temperature Control Switch |
| 14B | 316022503 Frigidaire Light Lamp P-1 |
| 14A | 316022500 Frigidaire Oven Warmer Drawer Zone Indicator Light Lamp |
| 15 | WCI 316023111 |
| 15 | WCI 316023110 |
| 19 | WCI 316076561 |
| 20 | WCI 316080100 |
| 23 | WCI 316079003 |
| 24 | 5304527841 Frigidaire Oven Rocker Switch (Black) |
| 28 | PUSH BUTTON, CLOCK/TIMER/EOC, BLACK |
| 28 | Shaft,push button ,black ,clock/timer/EOC |
| 36 | KNOB-CONTROL, (5) |
| 40 | WCI 316062329 |
| 46 | 318228310 Frigidaire Oven Lens |
| 54 | 316436001 Frigidaire Oven Range Infinite Burner Switch |
| 54 | 5303935086 Frigidaire Oven Top Burner Switch Kit |
| 60 | 316021105 Frigidaire Oven Screw |
| 69 | SCREW-SWITCH MTG, 8-32 X 3/16, SW TO CNTL PNL, (8) |