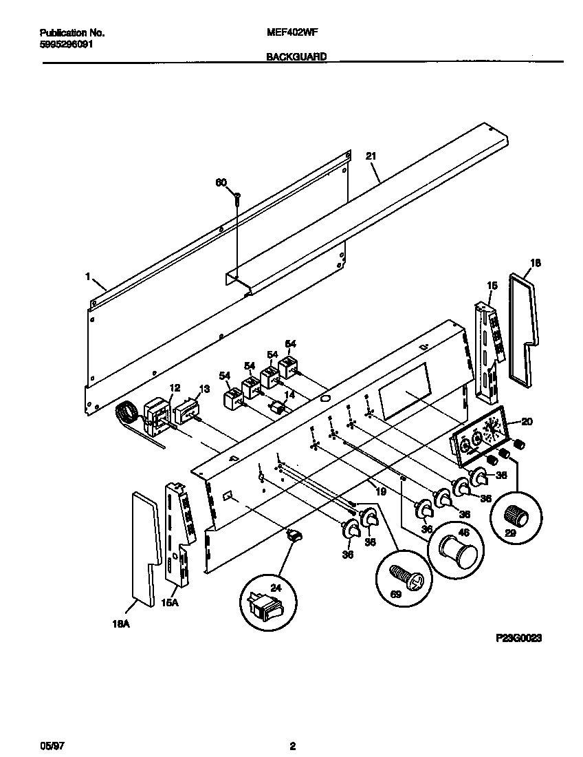
MEF402WFD1 02 – BACKGUARDadmin2025-04-26T09:21:04+00:00MEF402WFD1 02 – BACKGUARD ProductsPositionProduct*83682216858001 Frigidaire Refrigerator Screw*83680WCI 318015005*83681WCI 3160969001SHIELD-BACKGUARD, REAR WALL12BWCI 31805530012AWCI 31805910013WCI 0801593414LIGHT-LAMP/INDICATOR, OVEN15WCI 530330400115AWCI 530330400015BWCI 530330454418WCI 530330454118WCI 530330454019WCI 31800570820AWCI 31606540020B5303323130 Frigidaire Oven Screw21WCI 318051301245304527841 Frigidaire Oven Rocker Switch (Black)29WCI 530331112236KNOB-CONTROL, (6)46LENS (2)54WCI 318120500605303211311 Frigidaire Refrigerator Screw695303323137 Frigidaire Oven Screw