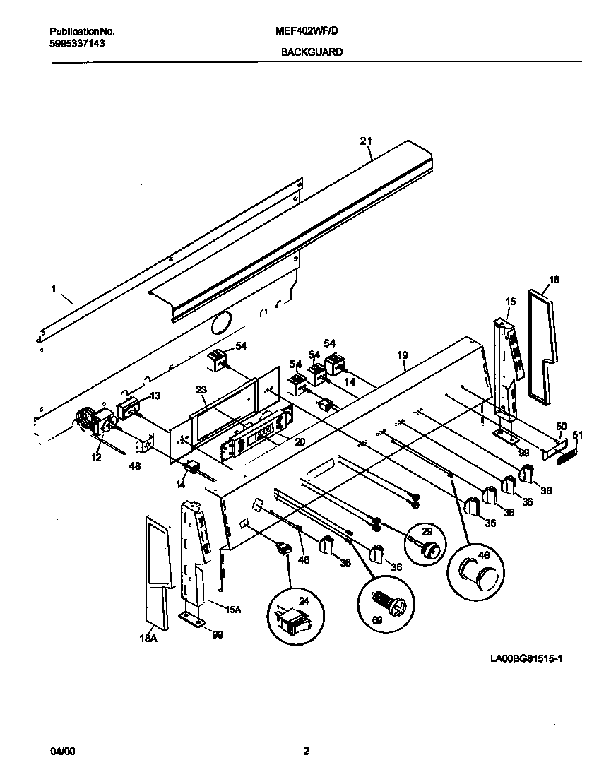
MEF402WFW4 02 – BACKGUARD