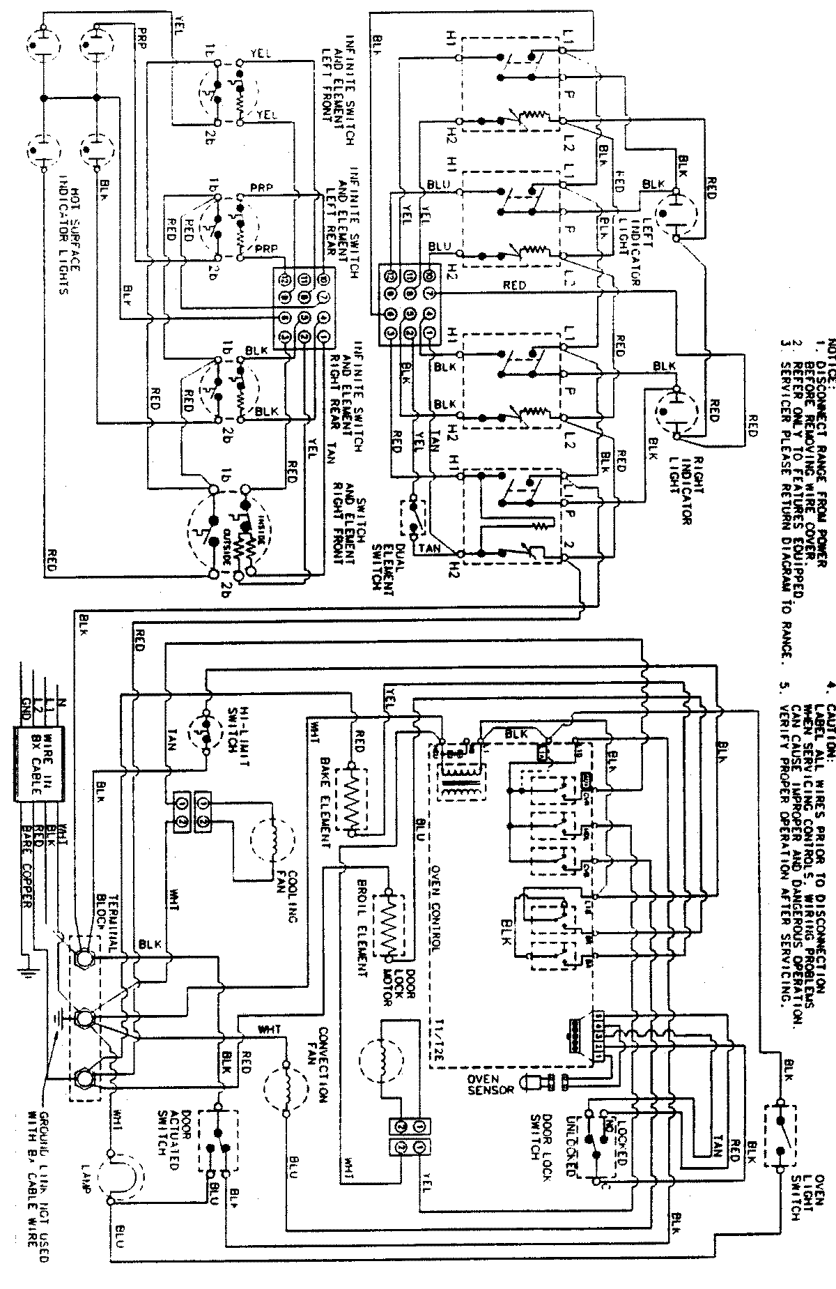
MEP5770AAW 05 – WIRING INFORMATIONadmin2025-04-26T09:28:02+00:00MEP5770AAW 05 – WIRING INFORMATION ProductsPositionProductNIMAY 15002561NIMAY 15003356