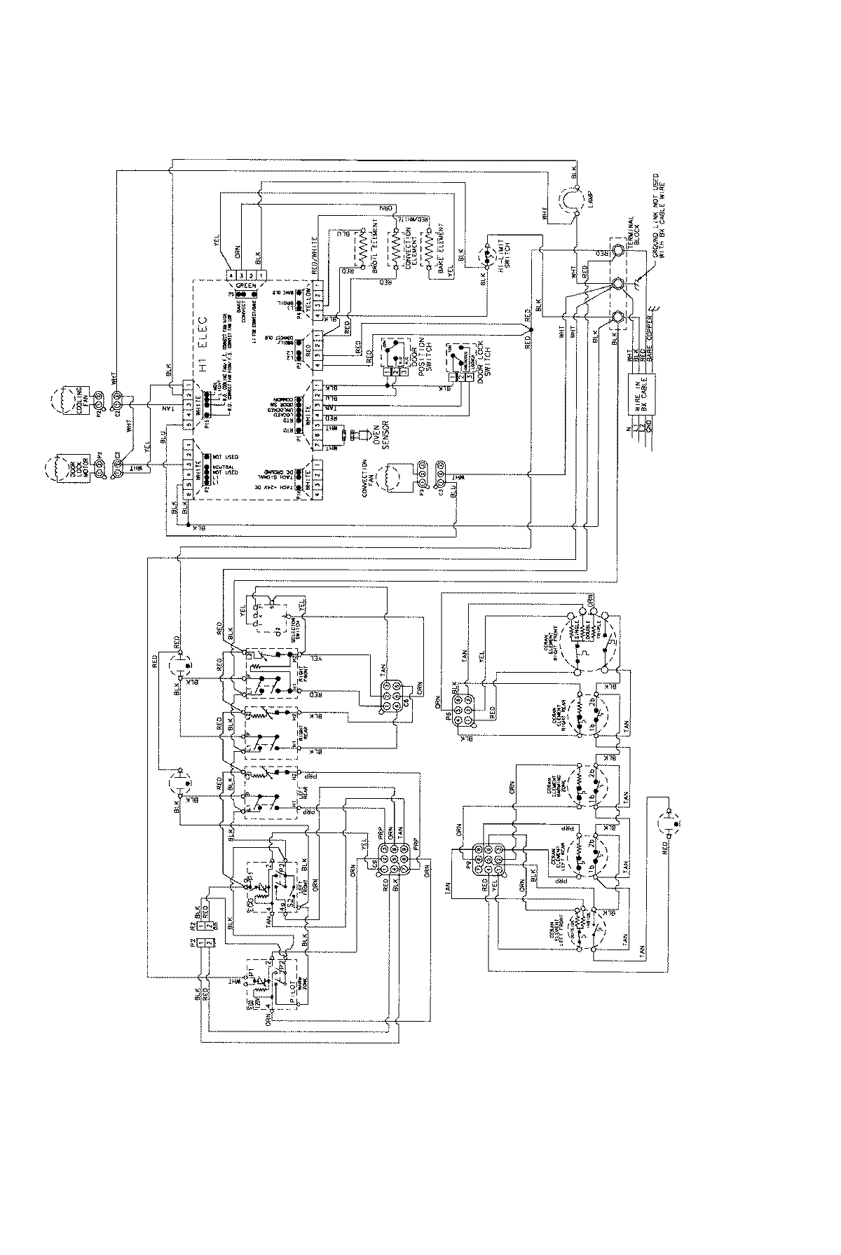
MEP5775BAB 06 – WIRING INFORMATIONadmin2025-04-26T09:27:59+00:00MEP5775BAB 06 – WIRING INFORMATION ProductsPositionProductNIMAY 15003732