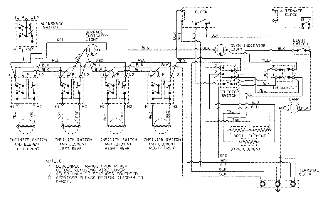
MER2350AAW 06 – WIRING INFORMATION

MER2350AAW 06 – WIRING INFORMATION

Products

PositionProduct
NIMAY 15001468