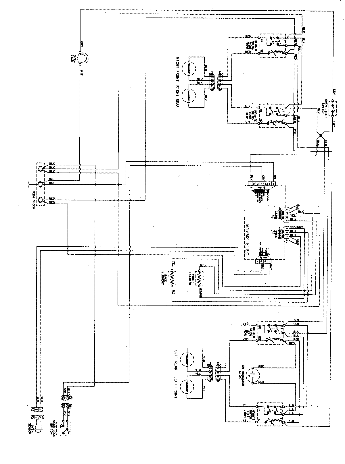
MER5520AAQ 06 – WIRING INFORMATIONadmin2025-04-26T09:09:58+00:00MER5520AAQ 06 – WIRING INFORMATION ProductsPositionProductNIMAY 15003494