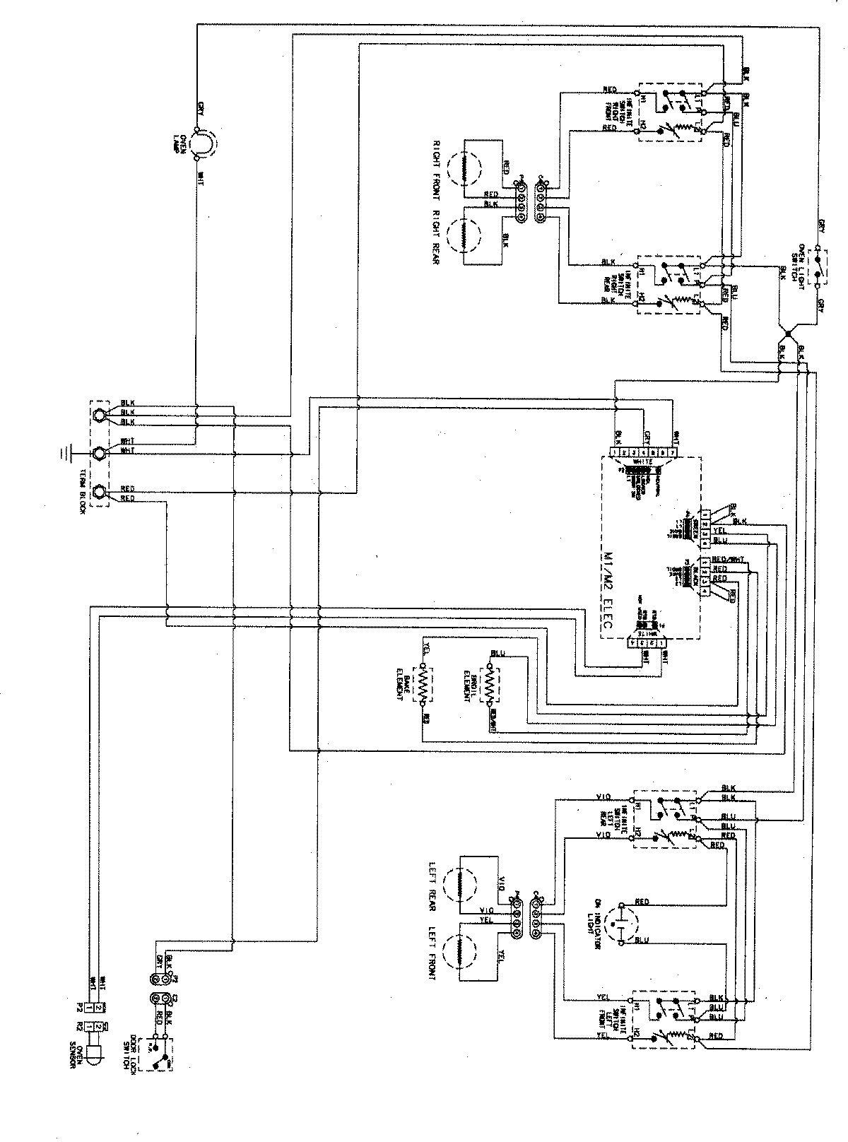
MER5520AAW 06 – WIRING INFORMATIONadmin2025-04-26T09:09:54+00:00MER5520AAW 06 – WIRING INFORMATION ProductsPositionProductNIMAY 15003494